欢迎光临天机传动官网,今天是:

磁粉制动器

  • 首 页
  • 产品中心
  • 磁粉制动器
  • 实力展示
  • 关于我们
  • 技术支持
  • 在线留言
  • 成功案例
  • 联系我们

    产品中心

    • 磁粉制动器
    • 磁粉离合器
    • 磁粉刹车器
    • 电磁离合器
    • 电磁制动器
    • 微型电磁离合器
    • 微型电磁制动器
    • 张力控制器
    • 电磁离合刹车器组合体
    • 金牌对边机伺服纠偏器
    • 气涨轴安全夹头
    • WP蜗轮蜗杆减速机
    • 离合刹车减速机
    • NMRV铝合金蜗轮蜗杆减速机
    • 无极变速机
    • 非标减速机电磁离合制动器组
    • 空压式离合器制动器

    联系我们

      联系人:陈小姐
      手 机:18027055835
      电 话:
      传 真:0769-85704468
      邮 箱:huang@dgtaiji.com.cn
      网 址:www.szlangan.com
      地 址:广东东莞市大朗镇松木山村利昌路13号

    您当前的位置:首页 > 产品中心 > 无极变速机

    上一篇:MB行星无级变速器,摩擦式机械无级变速器

    下一篇:NMRV减速机,UDL无极变速机,异步电机

    • 名称: mb行星无极变速机厂家,mb行星无极变速机价格

    • 分类: 无极变速机

    •  
    • 分享到:

      详细介绍:

      mb行星无极变速机主要由压紧的主动轮装置、摩檫传动机构、调速控制机构组成。MB系列行星摩擦式机械无级变速器主要由压紧的主动装置、摩擦传动机构、调速控制机构组成。
      mb行星无极变速机是带锥度的主动轮和压盘被一组碟形弹簧压紧,输入轴与主动轮用键联接,而组成压紧的主动装置。一组带锥度的行星摩擦轮内侧夹在压紧的主动轮和压盘之间,外侧夹在带锥度的固定环和调速凸轮之间,而组成摩擦副;当压紧的主动装置运转时,摩擦轮就做纯滚动,由于固定环和调速凸轮不动,因此,摩擦轮在自转的同时作公转运转,通过行星摩擦轮的中心轴及滑块轴承而带动行星架转动。

      mb行星无极变速机的安装:
    1、输出轴在加装联轴器、皮带轮、链轮等时,请勿重击。应用输出轴外端螺孔,旋入螺钉,压入联接件。
    2、在基础上安装底座式无级变速机时应校准该机的安装中心线标高,水平度及相联部件的相关尺寸,校准传动轴的同轴度不应超过联轴器允许的范围。
    3、立式MB无级变速机可任意角度安装,油位必须超过较高一侧的油标中心线。       
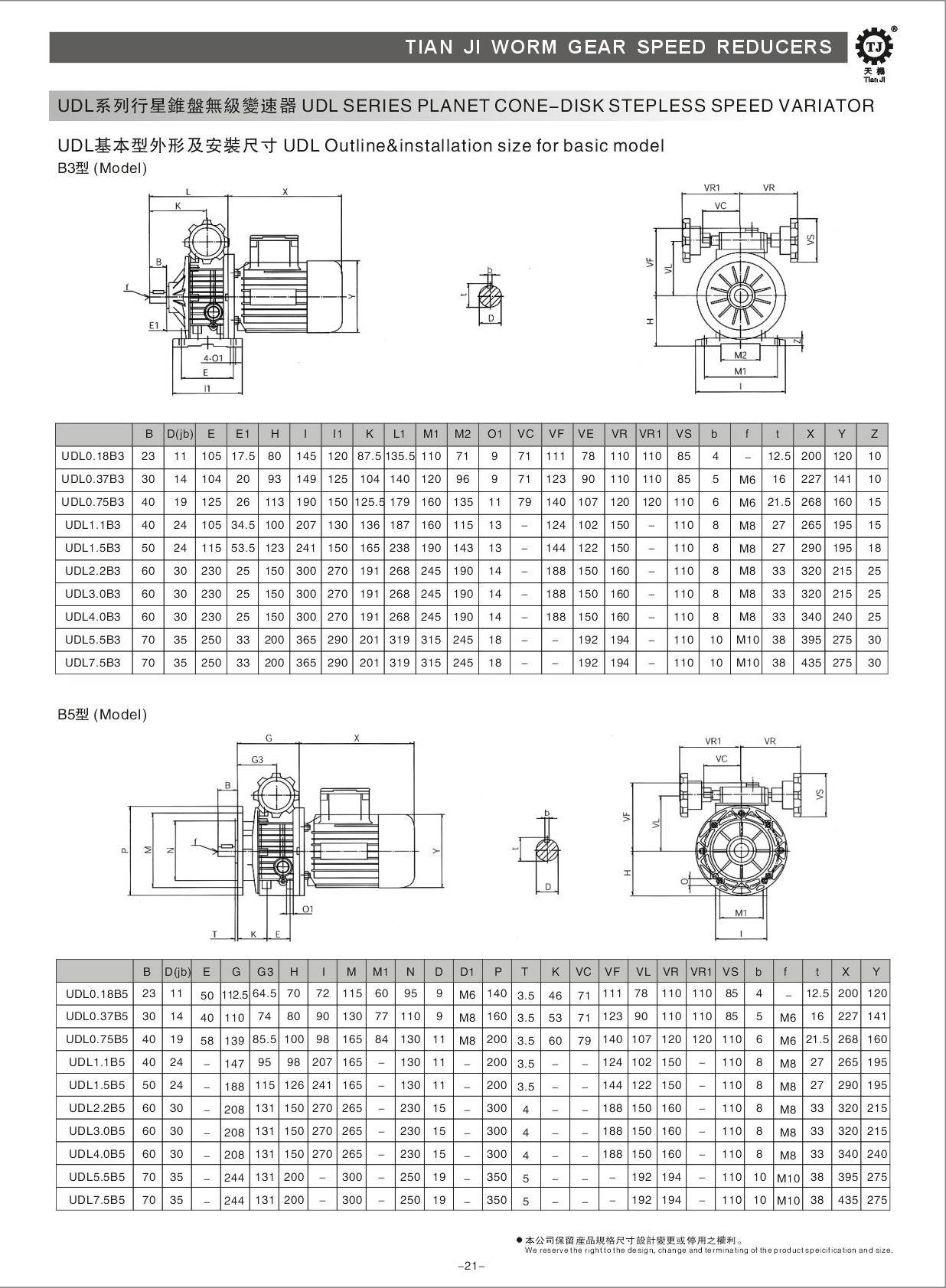
      以下是mb行星无极变速机外形尺寸参数图

    上一篇:MB行星无级变速器,摩擦式机械无级变速器

    下一篇:NMRV减速机,UDL无极变速机,异步电机

      其它产品

    UDL无极变速机厂家,UDL无极变速机价格

    UDL无极变速机厂家,UDL无极变速机价格
    MB行星无级变速器,摩擦式机械无级变速器

    MB行星无级变速器,摩擦式机械无级变速器
    UDT摩擦无级变速器型号选型,UDT摩擦无级变速器尺寸参数

    UDT摩擦无级变速器型号选型,UDT摩擦无级变速器尺寸参数
    mb行星无极变速机厂家,mb行星无极变速机价格

    mb行星无极变速机厂家,mb行星无极变速机价格
    NMRV减速机,UDL无极变速机,异步电机

    NMRV减速机,UDL无极变速机,异步电机
    JWB摩擦式无级变速机生产厂家,JWB机械式无级变速机价格

    JWB摩擦式无级变速机生产厂家,JWB机械式无级变速机价格

    首 页 产品中心磁粉制动器实力展示关于我们技术支持在线留言成功案例联系我们
    主营产品:磁粉制动器  磁粉刹车器  磁粉离合器  张力控制器  电磁离合器  电磁制动器  电磁刹车器  
    电    话:唐小姐 18028287736    传真:0769-85704468   邮箱:huang@dgtaiji.com.cn
    地    址:广东东莞市大朗镇松木山村利昌路13号
    版权所有:版权所有:东莞市台机减速机有限公司   京ICP证000000号
    • 游小姐
    • 旺旺在线
    • 微信扫一扫,联系我们